De luctor energiebespaarder nader bekeken
Geplaatst door Marcel van der Steen in Energiebesparing 4 Reacties»In een eerdere post hebben we (ondergetekende en Vincent Sijben), gereageerd op de advertenties van de Luctor energiebespaarder. Volgens onze analyse kan het niet mogelijk zijn dat het werkelijk afgenomen vermogen door apparatuur zoals wasmachines en stofzuigers kan worden verlaagd door toepassen van dit apparaat.
Een persoon heeft als reactie energiebesparingen gepost op dit artikel, waarop ik zelf het ding maar heb gekocht om het eens door te meten.
Dit artikel vertelt iets over het apparaat zelf. In een vervolgartikel kom ik met meetgegevens.
Het apparaat van binnen
Het apparaat hebben we open gemaakt en het plaatje boven laat duidelijk de grote condensator zien, die het hoofdonderdeel is van het apparaat. Deze zorgt namelijk voor een power factor correctie wanneer de belasting inductief van aard is.
Nog wat meer foto’s van het opengemaakte apparaat:

Nogmaals de opengemaakte Luctor
Je ziet een lichtblauwe varistor, voor de bescherming tegen spanningspieken. Daarnaast de bruine component is een condensator die in serie staat met de zwarte diodes linksvooraan. Je ziet een ledje aan de onderkant van de printplaat ter signalering dat het apparaat in het stopcontact zit.

En nogmaals de opengemaakte Luctor
De twee zwarte blokken die je ziet, zijn de zekeringhouders; er worden er twee toegepast.
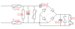
Het schema
Het is niet moeilijk om het schema uit te tekenen, omdat de gehele schakeling niet zo groot is.

Het schema van de componenten in de Luctor
Iets over het schema. Aan de linkerkant wordt de netspanning aangeboden. Deze gaat door twee zekeringen heen. Ons lijkt 1 voldoende. Waarom dan nog twee? Dit maakt de componentkosten hoger van het apparaat.
Daarna is er de grote condensator van 6 microFarad die zorgt voor een eventuele powerfactor correctie. Parallel aan deze condensator staat een weerstand (120 k), dit voor de veiligheid. Wanneer je de Luctor uit het stopcontact zou halen, dan zorgt de weerstand ervoor dat de condensator zich kan ontladen zodat er geen gevaarlijke spanning op de condensator blijft staan. De varistor die rechts naast de condensator staat is een variabele weerstand en dient ter bescherming van de overige componenten; wanneer er spanningspieken op het lichtnet staan en deze dit apparaat binnenkomen, dan regaeert een varistor op deze spanningspieken door een weerstandsverlaging en hiermee de spanningspieken wegleidend.
Na dit setje van componenten is er een condensator in serie (100 nF) met een bruggelijkrichter (het setje van 4 diodes) en wat componenten.
De condensator van 100 nF zorgt ervoor dat het grootste gedeelte van de netspanning over deze condensator zelf staat, en maar een klein gedeelte zal over de bruggelijkrichter met de andere componenten staan. Hiermee wordt dus van de 230 V AC van het net een kleine spanning gemaakt zonder gebruik te maken van een transformator of een schakelende voeding. Het is een goedkope manier omdat je alleen maar een condensator gebruikt, maar je zorgt wel voor een verslechtering van je power factor van dit apparaatje zelf. Hier kom ik nog op terug in de metingen aan het apparaat.
De 4 diodes zorgen voor gelijkrichting van de wisselspanning, en dus het setje van componenten geheel rechts krijgt een gelijkspanning. De elco van 100 microFarad zorgt voor afvlakken van de spanning, de zenerdiode zorgt voor een vaste spannigswaarde en de weerstand zorgt dan voor een vastgestelde stroom door de led geheel rechtsonderaan. Dus alle componenten van de 100 nF condensator, de 4 diodes, de elco, de zeneriode en de weerstand zijn er allen voor om de led te laten signaleren dat de Luctor in het spanningsnet gestoken is.
Conclusie
De Luctor bevat wat we hadden verwacht, namelijk een grote condensator die ervoor moet zorgen dat een eventuele lage powerfactor wordt gecorrigeerd. Dit alleen wanneer de powerfactor laag is omdat er een inductieve belasting is, bijvoorbeeld motoren (wasmachine motor, stofzuigermotor). Het zal niet werken, of zelfs averechts, wanneer je capacitieve belastingen hebt, bijvoorbveeld computervoedingen. Verder zou ik nog willen wijzen op onze disclaimer.
Er worden twee zekeringen gebruikt, lijkt ons wat overdreven.
Om de led te laten functioneren en simpelweg te laten zien dat de Luctor aan het net is gekoppeld, zijn nogal wat componenten nodig.
We blijven erbij, wanneer de Luctor wordt gebruikt, dan zal niet bespaard worden op de energie-rekening, dit omdat we als prive consumenten toch niet betalen voor blindvermogen.
In een vervolg artikel zullen we de meetresultaten plaatsen die onze vermoedens gaan ondersteunen. Houd deze site dus goed in de gaten….





4 reacties op “De luctor energiebespaarder nader bekeken”
Marcel: Een duidelijk artikel.
De Luctor energysaver bevat zoals we al hadden verwacht een condensator parallel aan het lichtnet om inductieve belastingen te compenseren. Dit zou de blindstroom kunnen beperken mits de belasting van het net inductief van karakter is, maar geeft geen vermindering van het energiegebruik.
Ik begrijp dan ook niet de reactie van europcarnivalgame op jouw eerste artikel, waaruit opgemaakt wordt dat er wel energie wordt bespaard.
Ik zet mijn vraagtekens bij de manier waarop is gemeten en ook bij de eigenschappen van de Gamma energiemeter.
Beschikt deze meter wel over een cos. phi correctie? Circa 10 jaar geleden kocht ik een energiemeter (ik weet niet meer waar), maar deze vermenigvuldigde de stroom met de spanning zonder cos phi correctie. Als je zo’n meter gebruikt, waarbij je de energysaver tussen de meter en een wasmachine plaatst, kan ik me voorstellen dat zo’n meter een besparing registreert. Momenteel maak ik bij metingen gebruik van een energiemeter (gekocht bij de Lidl voor 12 euro) met cos phi correctie. Dit is duidelijk te merken bij het meten van het gebruik van de gebruikelijke TL-verlichting, waarbij de cos phi (0,4) op de meter apart wordt weergegeven.
@ Arie,
In een vervolgartikel zal ik gaan meten aan de Luctor. Dan gebruik ik de Hameg powermeter, die het werkelijke vermogen meet alsook het schijnbare vermogen, en dan meteen een powerfactor afgeeft.
Ik zal niet zozeer meten aan een wasbeurt, want het verbruik kan best wat variƫren van de ene beurt naar de andere. Ik zal meten aan een motor (inductief), wellicht een stofzuiger, en wat andere belastingen, en meet dan direct het opgenomen vermogen. Dan heb ik meteen terugkoppeling en ik zal de ervaringen delen.
Nice to see your articles are appearing again on the website. All the articles are very good, of course, but it’s nice to see you’re “back”.
WAARSCHUWING. In zomer 2008 bij Luctor de energysaver besteld, betaald en nooit ontvangen. Blijkt een malafide bedrijf te zijn, ook al in het nieuws geweest via Opgelicht.